在电源模块选型应用中,曾经是否会因选用隔离电源模块还是非隔离电源模块而难做抉择?本文可以让你能快速做出判断,选择合理的供电方案,能够保证系统安全平稳运行。
电源模块应用疑惑
客户在电源模块应用过程中曾经出现过这样的应用场景,如下图1所示,客户选用了一个带隔离变压器的电源模块,然后把输入输出的地连在一起使用,可以正常工作,不影响使用,但客户考虑长久使用的可靠性进行了技术交流沟通。
客户这个应用是隔离电源用成了非隔离电源,这样应用的结果是隔离电源和非隔离电源的缺点都占有了,而非隔离电源应用的优点又没沾上,这样的应用方案存在缺陷,不推荐这样的应用。

图1 客户的应用电路图
电源模块应用解惑
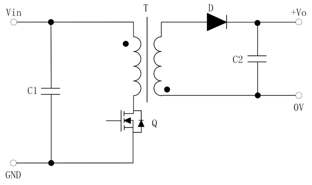
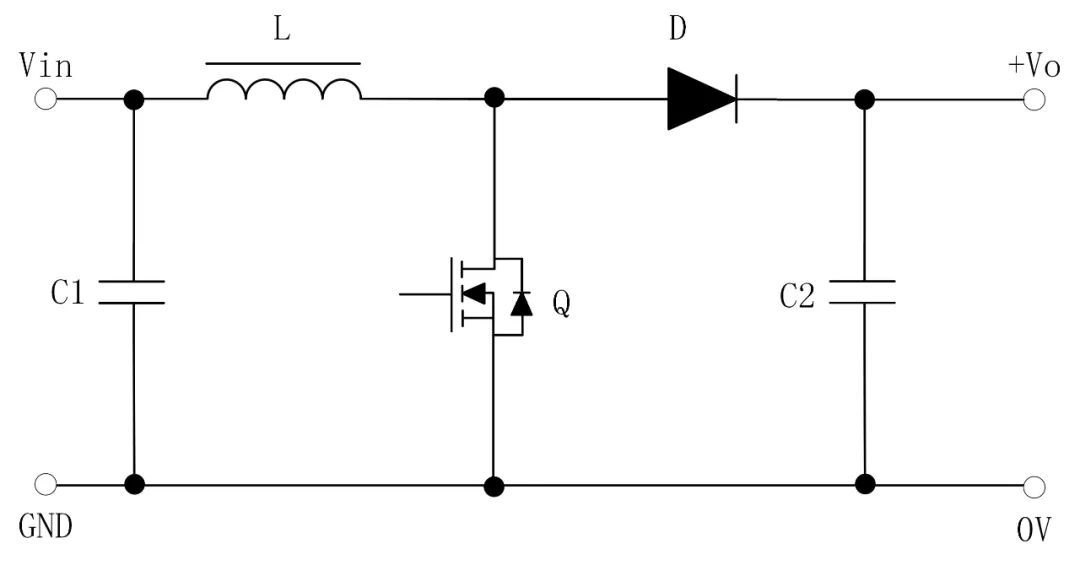
客户上面的应用就是涉及隔离和非隔离电源模块的问题,要解决客户的应用疑惑,首先需要对电源模块的隔离和非隔离有所了解,下面两个电路图可以直观的做出隔离和非隔离电路的辨识,图2是隔离电路,图3是非隔离电路。

图2 常见隔离电路图

图3 常见非隔离电路图
隔离电源的特点是输入输出通过隔离器件隔离,输入到输出的能量是隔离变压器进行传递,信号传递是通过光电耦合器;输入输出间没有直接的电气连接,存在高阻抗的隔离。隔离电源的优点是抗干扰能力强,安全性好;缺点是转换效率低,体积大。
非隔离电源的特点是输入输出共地,存在直接的电气连接。非隔离电源的优点是转换效率高,体积可以做小;缺点是因为输入输出共地,安全性较差,抗干扰能力差。
隔离电源和非隔离电源涉及安全和抗干扰性,所以应用场合还有些许差异。
1. 隔离电源的应用场景
隔离电源的安全性高,所以适用于涉及人身安全的需防触电的场合,比如医疗行业电源,高压转低压场合;需求电源前端损坏,能保护负载电路的场合。
需要提升抗干扰的场合,比如系统前端电源,如图4所示。远程工业通信场合,每个通信节点用隔离电源供电可以降低因导线耦合的干扰。

图4 隔离电源应用图
2. 非隔离电源的应用场景
非隔离产品效率高,抗干扰能力差,适合纯净的用电环境和损耗需求较低的场合,比如家庭灯具供电场合,由电池供电的仪表仪器需求空载损耗小,长续航的场合。系统的后级电路,给后级的系统芯片供电。
很多场合下隔离电源和非隔离电源是一起用的,这种场合隔离电源用在前端电路,非隔离电源用在后级供电电路,如参考下图5,这是一个工控板的隔离电源和非隔离电源的一个应用场景。

图5 工控板电源模块应用场景框图
有些要求不高的场合,可用非隔离电源也可以用隔离电源,这种情况就要结合实际,选用最合适的方案。
表1 电源选型表

扫一扫咨询微信客服