B-Tran 等半导体电源开关是各种高效和清洁能源应用的电源转换中的关键组件。这些应用包括电动汽车、可再生能源发电、储能、固态断路器 (SSCB) 和电机驱动。提高半导体功率开关元件的效率和性能可以带来广泛的好处,提高经济性并加速这些应用的部署。
B-Tran 等半导体电源开关是各种高效和清洁能源应用的电源转换中的关键组件。这些应用包括电动汽车、可再生能源发电、储能、固态断路器(SSCB) 和电机驱动。提高半导体功率开关元件的效率和性能可以带来广泛的好处,提高经济性并加速这些应用的部署。B-Tran结构和工作模式要了解 B-Tran 的工作原理,我们首先需要了解绝缘栅双极晶体管(IGBT) 的工作原理。当开关闭合时,电流流过正向偏置二极管,导致器件电阻显着降低,并允许它以较低的电压降传导较高的电流水平。这称为“电导调制”。但是,IGBT 的关断时间比 MOSFET 慢,因为当器件导通时,额外的电荷载流子会填充 P 区。当打开开关以关闭设备时,这些电荷载流子无处可去,设备保持部分导电状态,这需要很长时间才能关闭。为了加快关断过程,在制造过程中故意引入了缺陷,但这也会增加导通状态下的电压降。因此,在低导通电压降和关断时间之间存在权衡,较长的关断时间会导致较高的开关损耗。B-Tran 是一种晶体管,每侧都有两个控制开关,可提高其性能和可靠性。B-Tran 与 IGBT 的结构类似,以轻掺杂衬底作为漂移区,两侧重掺杂区作为发射极,具有基于发射极(E1 和 E2)和少数载流子注入器(B1)的三种模式和 B2)。

图 1:B-Tran 的不同模式(:Ideal Power Inc.)
关闭模式:在图 2(a) 中,高压 (1,200 V) 施加到顶部发射极 E1,而下方注入器 B2 接地。E1 和 B2 之间形成的耗尽区阻挡高压,防止其流过晶体管。开启模式:在图 2(b) 中,将 1 V 的正驱动偏压施加到顶部喷油器 B1-E1。这种偏压注入导致少数载流子的载流子密度增加,然后注入漂移区。结果,由于 N 漂移区中载流子密度的增加,顶部 E1 和底部 E2 之间的电阻显着降低。预关断模式:为了降低B-Tran的关断损耗,需要一个预关断阶段。该阶段涉及将顶侧和底侧(B1-E1 和 B2-E2)的基极和发射极端子短路,如图 2(c) 所示。这种短路导致 B1 上的驱动电流减小到零。因此,重组过程被强制执行,这减少了存储的电荷并有助于化关断损耗。B-Tran 性能和模拟
图 2:(a)符号;(b) 真正的 B-Tran;(c) B-Tran 特性(:Ideal Power Inc.)
图 2(a) 是 B-Tran 的符号表示,图 2(b) 显示了 B-Tran 的物理结构。图 2(c) 说明了器件的双向工作特性。它有两个控制输入(B1 和 B2),可以阻断正极和负极的电压,同时还可以双向传导电流。除了其双向功能外,它还可用于单向应用,如电压源逆变器或电池充电器。
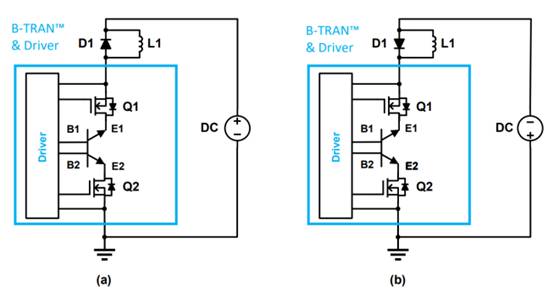
图 3:(a) 电流从 E1 流向 E2;(b) 电流从 E2 流向 E1(:Ideal Power Inc.)
该原理图包括两个具有低 RDS(on)(< 3mΩ) 的共源共栅 MOSFET(Q1 和 Q2),可用作正常关断开关,类似于 IGBT。这些 MOSFET 可以在关断状态下阻断高压,并在导通状态下以低损耗传导大电流。然而,它们不具备高能量转换能力。图 4(a) 中的设置是在电流从高侧流向低侧 (E1 至 E2) 时测试的,而图 4(b) 中的设置是在电流从低侧流向高侧 (E2) 时测试的至 E1)。作为 DPT 的一部分,电感器 (L1) 和快速恢复二极管 (D1) 跨接在电感器两端。
图 4:晶圆级测量击穿电压曲线和正向压降 VEE(on)与电流 IE(A)(:Ideal Power Inc.)
利用吉时利大功率测试系统对B-Tran进行初步测量。为了测量击穿电压和漏电流,在观察电流的同时增加器件两端的电压。测量表明击穿电压为 1,280 V。发射极-发射极饱和电压和电流增益 (β) 也分别确定为 0.6–0.8 V 和 7。该图显示了三个基射极电压 (V BE)值的输出特性。该器件需要大约 1 V 的基极偏置电压才能开启。此外,正向压降 VE1E2(on)和输出电流 (IE1)对于每个基极 - 发射极电压。换句话说,随着输出电流的增加,正向压降也以线性方式增加。B-Tran 应用程序B-Tran 在各个领域都有实用性,包括但不限于电动汽车、可再生能源生产、储能、电机驱动和 SSCB。
图 5:使用 B-Tran 的 SSCB(:Ideal Power Inc.)
在 SSCB 中发挥关键作用的 B-Tran 的基本特性是其传导特性和正向压降,可有效减少断路器中的功率损耗。基于 IGBT 和基于 B-Tran 的电路之间的比较得出结论,当负载电流为矩阵转换器

图 6:使用 B-Tran 开关的三相矩阵转换器(:Ideal Power Inc.)
如果转换器使用 B-Tran 器件,则只需要其中的 9 个,而基于碳化硅 MOSFET、硅 MOSFET 或反向阻断 IGBT 的转换器将需要 18 个器件,如果双向开关(BDS)则需要 36 个器件) 使用 IGBT 和快速二极管。为了产生具有所需幅度和频率的可变输出电压,需要一组 BDS 将三相电源直接连接到矩阵转换器中的三相负载。这种设置通常用于电梯、自动扶梯和轧机的电机驱动,以及用于智能电网的光伏 (PV)、风能和燃料电池功率转换系统等可再生能源应用。B-Tran 拓扑是一种新型功率半导体拓扑,与现有技术相比具有显着优势。通过仿真,它展示了类似于 MOSFET 的低损耗快速开关、类似于 IGBT 的高电流密度和类似于双极结型晶体管的低正向压降。此外,B-Tran 具有独特的双向特性。在变频驱动、电动汽车牵引驱动、光伏逆变器和风能转换器等功率转换器中使用 B-Tran 可能会提高效率和系统经济性。
扫一扫咨询微信客服