分压器和分流器有许多实际应用。例如,在下图所示的电路中,R 2是一个光敏电阻,它会随着照射在其上的光强的变化而改变值。R 2和 U 2两端的电压是光强度的量度。您可以使用它来感测阳光的强度,或者光源和光敏电阻之间是否存在物体。当然,分压和分流器电路还有许多其他应用。
基尔霍夫电压定律基尔霍夫电压定律指出回路中所有电压的代数和必须为零。该定律的一个实际应用是分压器,如下图所示。如果 U1是 9V电池,R1是 3 欧姆电阻,R2是 6 欧姆电阻,则电路中流动的电流为9v3Ω+6Ω=1A9v3Ω+6Ω=1A。R 1两端的电压将是3Ωx1A=3v3Ωx1A=3v,R 2两端的电压为6Ωx1A=6v6Ωx1A=6v.各个电阻器两端的电压等于两个电阻器两端的电压乘以各个电阻器与总电阻器的比率。计算电阻器 R2和 U2两端电压的公式如下所示。

图 1 分压器电路
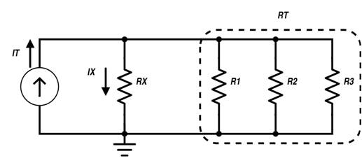
U1=U1R2R1+R2U1=U1R2R1+R2基尔霍夫电流定律同样,您可以分流。支配这一点的定律称为基尔霍夫电流定律。该定律指出,“所有进出节点的电流的代数和必须等于零。”要了解其工作原理,请参阅下图。IT是提供给四个并联电阻电路的总电流。IX是流经 RX的电流。如下式所示,流过 RX的 IT的分数将等于 IX乘以 RX与总电阻之比。如果所有电阻器的值都相同,则通过每个电阻器的电流将相同。例如,如果IT=1AIT=1A和RX=R1=R2=R3=30ΩRX=R1=R2=R3=30Ω,然后RT=10ΩRT=10Ω和IX=ITRTRX+RT=(1)(10)30+10=1040=0.25AIX=ITRTRX+RT=(1)(10)30+10=1040=0.25A。

图 2分流器电路
IX=ITRTRX+RTIX=ITRTRX+RT分压器和分流器的应用分压器和分流器有许多实际应用。例如,在下图所示的电路中,R2是一个光敏电阻,它会随着照射在其上的光强的变化而改变值。R 2和 U2两端的电压是光强度的量度。您可以使用它来感测阳光的强度,或者光源和光敏电阻之间是否存在物体。当然,分压和分流器电路还有许多其他应用。

图 3 分压器应用
U2=U1R2R1+R2
扫一扫咨询微信客服