随着最新一代蓝牙5.3 LE Auido规范的发布,各个芯片厂家纷纷发布自己符合新规范的蓝牙芯片,其中身为规范制定者的其中一方——高通,也推出第二代S5/S3音频平台。除了能满足LE Audio的规范,还添加了高通自研的特色功能。如更高品质的LE Audio音乐,超低延时的音频传输,音质与通话完美结合的游戏模式,更有别具一格的立体声录音。大大提升了使用LE Audio的用户体验,甚至优于传统audio的体验。
使用QCC3086方案做的发射器,可以让用户在当下这些还没来得及更新换代的各个平台上,提前享受LE Audio带来的优越用户体验。就拿这些年很火的电竞行业来说,游戏延时是很关键的参数,这直接影响玩家的发挥。而在电竞游戏市场上很少看到有无线产品,有也是2.4G点对点的设备,这样的设备虽然有降低延时的能力,但缺乏通用性。一旦其中一个设备丢掉或损害,一般都是要整套更换的。而QCC3086方案带来的超低延时功能,能把音频延时(声音产生到能听到的延时)降到22ms,这个延时我只听过LOL的顶尖选手大魔王Faker说过慢,一般玩家甚至都无从感知到的。
另一方面,该方案使用的是LE Audio规范,所以它还能让你本身不具备LE Audio的硬件平台(PC,PS,Switch等),去连接各种其他的LE Audio设备,让你摆脱有线的束缚。同时,游戏通话能力那也是必须功能,如果换成以前的传统蓝牙,要么只能听高音质(a2dp),要么能通话但游戏音质不高(HFP)。高通结合了这两者的优点,让LE Audio在传输高品质音质时,还具备通话回传功能,还带超低延时,说这款芯片为游戏而生也不为过。此外,作为发射器使用,当然具备支持不同输入源的功能,USB,analog,I2s,Spdif这些都支持。并且符合了Microsoft Teams认证功能要求。
方案实现:
1.首先需要准备代码环境,在高通官网上,下载QMDE、Toolkit、Source code等。安装完之后启动QMDE,选择加载工程,并选择对应的toolkit

2.默认工程是支持gaming mode的,如果不需要可以在工程设置关掉

3.修改按键UI

4.修改LED灯UI

5.进行rebuild

6.此时,将TRB或USB连接到板子上,等build之后就可以烧录了

测试验证:
1.QCC3086插入USB连接PC,自动开机后会进入配对状态,LED灯会慢闪
2.让高通蓝牙接收端进入配置状态,等待连接完成
3.连接完成后,QCC3086不会闪灯,此时PC播放音乐,接收端会听到音乐
4.打开QACT能看到以下链路,表明QCC3086处在gaming mode,延时低至22ms,上下行各一条链路

5.双击sys按键,切换到普通模式,就会只看到一条常规的lc3编码链路

硬件设计:
Flash和IO电路:

供电系统设计:

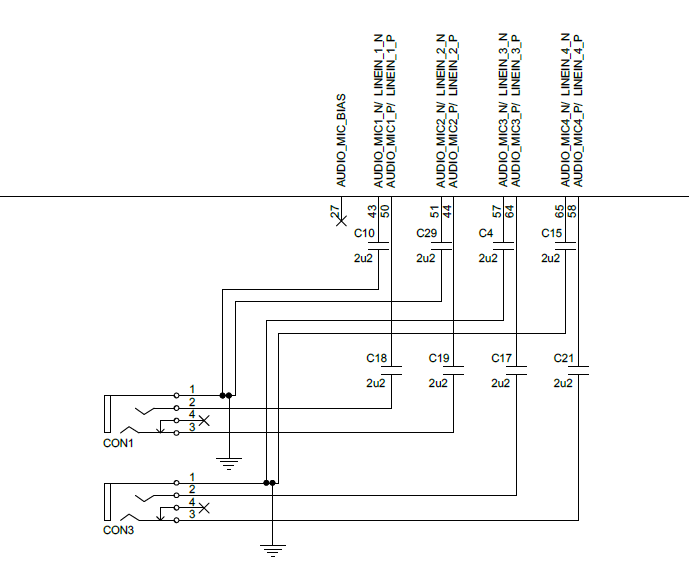
Line in设计:

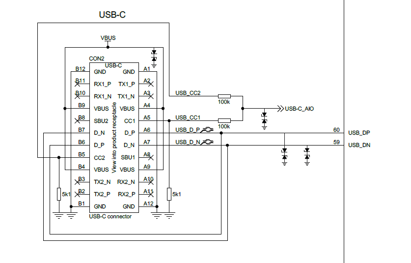
Type C USB设计:

►展示板照片

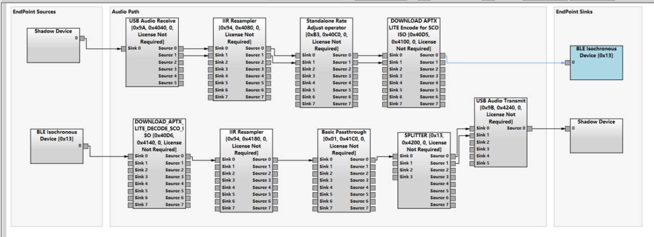
►方案方块图

►核心技术优势
· 蓝牙5.3规范
· Bluetooth LE Audio Unicast Music with media control (MCP)
· Bluetooth LE Audio Unicast Voice with call control (CCP)
· Volume control using VCP
· Qualcomm Bluetooth High Speed Link Bluetooth LE Audio Gaming mode with Voice back channel for ultra-low latency
►方案规格
· QCC3086硬件规格:
99-ball 4.930 mm x 3.936 mm x 0.57 mm, 0.4 mm pitch WLCSP
CPU: 32bit 双核RISC MCU最高频率80MHz,160KB Data RAM、32KB Cache、128KB TCM、64KB shared RAM
DSP: 240 MHz,384KB Program RAM,1024KB Data RAM
· 外围接口: I2C(最高400Kbps)
SPI(最高8MHz)
UART(最高4MBd)
USB2.0(最高12Mbps) 4x PWM LED
27x PIO(电压支持1.7 V to 3.6 V)
· 音频接口:
SPDIF
USB2.0(最高12Mbps)
I2S(24bit 最高384kHz,单向输入)
4x ADC(24bit,最高96kHz)
10x 数字mic(最高支持4MHz)
扫一扫咨询微信客服