2023年12月21日,致力于亚太地区市场的国际领先半导体元器件分销商---大联大控股宣布,其旗下诠鼎推出基于英诺赛科(Innoscience)InnoGaN器件-INN650TA030AH、INN650TA070AH和INN650D080BS芯片的2KW PSU服务器电源方案。


图示1-大联大诠鼎基于Innoscience产品的2KW PSU服务器电源方案的展示板图
近年来,工业领域对GaN的需求逐步攀升。根据AKCP机构测算,2023年网络设备、通信设备以及数据中心等的能耗将占全球总用电量的21%左右,成为了实现“碳中和”目标最大的挑战之一。其中,海量的数据需求将继续加快数据中心的建设速度。因此,具备更高效率和更高功率密度的解决方案成为数据中心供电系统的迫切需求。在此趋势下,大联大诠鼎基于Innoscience InnoGaN器件-INN650TA030AH、INN650TA070AH、和INN650D080BS芯片推出2KW PSU服务器电源方案,旨在利用先进的GaN器件助力服务器电源实现更出色的能效。

图示2-大联大诠鼎基于Innoscience产品的2KW PSU服务器电源方案的场景应用图
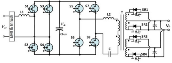
本方案采用Innoscience旗下InnoGaN 650V GaN芯片实现功率转换,其中,PFC慢桥臂采用2颗INN650TA030AH,其采用Toll封装、导通电阻为30mΩ;PFC快桥臂采用2颗INN650TA070AH,其同样采用Toll封装,导通电阻为70mΩ;LLC桥臂采用4颗INN650D080BS,其采用DFN8*8封装,导通电阻为80mΩ。与Si MOS相比,Innoscience产品具备低Qg、低Co(tr)以及无反向恢复损耗Qrr等特性。
通过效率测试,在输入电压230Vac/264Vac的条件下,本方案的最高效率可达到96.5%,能轻松满足80 Plus钛金级能效标准,进一步为数据中心提供高效电源。不仅如此,在通信电源、LED照明等应用中,本方案同样具备小体积、高效率的优势,具有广泛的应用前景。

图示3-大联大诠鼎基于Innoscience产品的2KW PSU服务器电源方案的方块图
Innoscience在数据中心领域进行了多年的产品布局,旗下拥有从前端PSU电源到主板DC/DC模块,以及芯片直接供电的全链路解决方案。未来随着GaN的优越性能逐渐显现,其相关技术将在更多应用中大放异彩。在这个过程中,大联大将与Innoscience携手共进、共同开发先进的解决方案,助力客户加快GaN技术的应用。
核心技术优势:
高效率:在230Vac Vin下效率高达96.5%,符合80Plus钛金级能效标准;
高功率密度:76W/in3;
1U标准尺寸:185mm×65mm×36mm(PCBA)。
方案规格:
效率:96.5%@230Vac(80 Plus钛金级能效);
功率密度:76W/in3;
InnoGaN:
Ø INN650TA070AH *2;
Ø INN650TA030AH *2;
Ø INN650D080BS *4。
扫一扫咨询微信客服