12项误差模型是矢量网络分析仪(VNA)测量系统误差建模的一种简单、有效的方法。在本文中了解此模型和相关的错误更正技术。
用户校准在最小化矢量网络分析仪(VNA)测量的系统误差方面起着基础性的作用,使整个测量性能远远超过原始硬件的能力。本文将介绍商用vna纠错算法中最常用的12项误差模型。文章的最后部分将介绍SOLT校准技术,这是一种基于12项误差模型的同样广泛的误差校正方法。
利用信号流图建立误差模型
通过检查VNA的通用框图,我们可以建立测量系统的误差模型。考虑图1中的测量框图,其用于测量DUT的输入反射(S11)和前向透射(S21)系数。
测量系统框图。

图1:测量系统的框图。使用的图像由Douglas Ryting和Agilent Technologies提供
图2显示了如何使用信号流图概念对该系统进行建模。
测量系统的流程图。

图2:测量系统的流程图。使用的图像由Douglas Ryting和Agilent Technologies提供
让我们更仔细地看这个相当复杂的图表。在中心是DUT,它是由其S参数建模的。
在DUT的输入和输出端,我们观察模拟测试装置电缆和连接器的网络。与简化的理想模型相比,此图不假定电缆是无损的,并且呈现完美匹配。LC和MC分别表示互连的损耗和匹配。该模型还考虑了在VNA中定向耦合器的有限方向性。这些效果由信号流图中的两个洋红色路径表示。
从图1很容易看出,射频信号源不应直接耦合到测量接收器(b0)的输入端。然而,对于现实世界的硬件,这种不期望的耦合是不可避免的。在流程图中,系数为LS-b0的洋红色分支显示信号源(用aS表示)和b0接收器之间的直接耦合。
类似地,图1中的框图显示,从DUT输入(b1)反射的信号不应出现在a0接收器的输入端。同样,由于实际耦合器的有限方向性,这种不需要的耦合是不可避免的。该泄漏路径由图2信号流图中标记为L1-a0的洋红分支解释。
图2提供了系统误差项的综合视图,除了考虑损耗、匹配和泄漏误差项外,还包括一些反映接收机非线性和噪声影响的项。然而,基于该模型的校准方案需要测量许多已知负载以确定误差项。大多数VNA选择更简单的模型,仍然可以最小化系统误差。12项误差模型,既简单又有效,是一种常见的选择。
12项误差模型
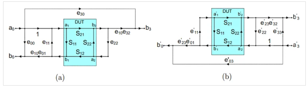
12项误差模型由两个子模型组成:一个子模型用于正向测量(S11和S21参数的测量),另一个子模型用于反向测量(S22和S12参数)。图3显示了前进方向的子模型。
12项误差模型的正向子模型。

图3:正向子模型用于12项误差模型。图片由Steve Arar提供
在上述模型中有七个误差项。然而,并不是所有的项都是独立的。如果我们写下测量的S参数的方程,我们会发现,项e10,e01和e32不会单独出现在任何地方。相反,e01和e32各自与e10形成复合项。这有效地将上述模型中的未知数从七项减少到了六项。
用于反向测量的子模型反映了上述情况。它包括另外六个具有不同值的项(e’33、e’30、e’22、e’11、e’23e’32和e’23e’01),为整个模型提供了总共12个错误项。
S参数测量的12项误差模型在业界受到青睐的一个原因是,其误差项可能与物理和可理解的误差源有关。错误可分为三类,每一类包含每个子模型的两个错误项:
1.信号泄漏。
方向性误差(e00和e'33)。
隔离错误,也称为串扰(e30和e'30)。
2.信号反射。
源匹配错误(e11和e'22)。
加载匹配错误(e22和e'11)。
3.频率响应/跟踪。
反射跟踪错误(e10e01和e'23e'32)。
变速箱跟踪错误(e10e32和e'23e'01)。
图4显示了VNA测量示例中的所有这些系统误差类型。
VNA测量示例中的系统误差。

图4:VNA测量示例中的系统误差。图像由Keysight提供
让我们按类型检查这些错误。由于子模型是彼此的镜像,因此在讨论过程中可以使用“误差项”来表示正向误差项及其反向等效项。
泄漏误差项
VNA泄漏误差可以采用方向性误差或串扰的形式。方向性误差,顾名思义,与定向耦合器在VNA中的有限方向性有关。然而,它并不是耦合器指向性的唯一函数。
在本文中,我们将不了解其他可能影响它的参数,但是如果您想了解更多,我推荐Joel Dunsmore的“微波组件测量手册:使用高级VNA技术”。这个术语会给反射测量带来很大的误差。
滚动以继续内容
隔离误差,也称为串扰,模拟测试端口之间的有限隔离。换言之,它说明了完全绕过DUT的任何信号。这些信号会给传输测量带来误差。
这种形式的泄漏错误可能发生在VNA本身中,尽管在现代VNA中并不常见。通常,串扰的形式为两个DUT连接之间的电磁耦合,例如,如图5所示的探针站测量系统的探针之间的电磁耦合。

图5:探测站测量系统。图片由Adobe Stock提供
注意,探测站测量系统的串扰校正对位置变化非常敏感。如果探针仅移动到远离串扰校准位置的小距离处,则串扰校正向量可增强甚至恶化串扰问题。
由于现代VNA端口间的隔离度通常大于系统的噪声地板,因此串扰不能得到充分的表征。因此,它通常设置为零。通过忽略正向子模型和反向子模型中的串扰项,我们可以将模型中的未知数从12个减少到10个。
信号反射项
信号反射误差与VNA端口阻抗匹配不理想有关。源匹配误差说明了提供激励信号的端口的阻抗失配,而负载匹配误差反映了连接到DUT输出的VNA端口的失配。
对每个端口使用不同的错误项意味着端口匹配取决于测试端口是否提供刺激。这是必要的,因为激活测试端口的信号源会改变其配置,从而改变其阻抗匹配。
跟踪错误
频率响应误差,也称为跟踪误差,影响透射和反射测量。除了表示给定测量中信号路径的相对损耗外,这些误差项还反映了与测量相关联的接收机的频率响应差异。我们称这些术语为跟踪误差,因为它们表示网络分析器中的各种接收机在频率扫描中彼此跟踪的情况。
反射跟踪误差项说明了当入射信号执行以下操作时发生的频率响应误差:
1.离开VNA的端口。
2.穿过电缆和连接器。
3.从DUT的输入反射。
4.再次穿过电缆回到VNA。
5.最终由VNA的测量接收器检测。
类似地,传输跟踪误差考虑了入射信号从源测试端口传输到负载测试端口时经历的相对损耗和相移。
透射和反射跟踪误差都用复合误差项表示。为了搞懂它们,我们应该注意S参数测量是比率。例如,如果我们回到图1中的基本图,输入反射系数是通过将b0接收器的输出除以a0接收器的输出得到的。如果两个信号路径的频率响应不完全相同,则会在测量的反射系数中引入误差。
现在我们已经讨论了模型中的所有错误项,让我们来讨论如何更正它们。
12项误差修正
图6显示了正向(a)和反向(b)方向的最终6项子模型。

图6:6项正向子模型(a)和6项反向子模型(b)。图像由微型电路提供
为了校正测量误差,我们需要找到上面所有误差项的值。一种常见的方法是SOLT校准,之所以这样命名是因为它使用短、开放、加载和贯穿标准。在SOLT校准过程中,依次测量每个标准(图7)。
SOLT校准。

图7:SOLT校准。图片由铜山科技公司提供
为了执行SOLT校准,通过将VNA的每个端口连接到短路、开路和匹配负载,分别对其进行校准。这构成两个端口的单端口校准。然后,两个端口通过直通标准连接在一起,直通标准提供已知的传输系数。由于共有12个误差项,双端口校准通常称为12项误差校正。
最后对结果进行分析,确定模型的误差项。一旦我们找到了误差项,我们就可以在数学上修正测量中的误差。大多数VNA都有支持SOLT校准方法的内置软件,您不需要自己应用这些公式。
如果您感兴趣,可以在本微型电路应用说明中找到误差项和测量的S参数与DUT S参数之间的关系式。虽然方程相对较长,但其背后的基本概念很简单。
下一篇
SOLT校准是一种方便、可靠的校准大多数VNA的方法,但它也有局限性,例如需要高质量的标准。除了更详细地介绍SOLT校准的步骤外,下一篇也是最后一篇文章还将讨论在实际现实中该校准使用的开路和短路标准的非理想性。
扫一扫咨询微信客服