晶体管具有放大和开关电信号的功能。 比如在收音机中,会扩大(放大)空中传输过来的非常微弱的信号,并通过扬声器播放出来。这就是晶体管的放大作用。 另外,晶体管还能仅在事先确定的信号到达时才工作,这时发挥的是开关作用。 我们常听到的“IC”也好“LSI”也好,都是晶体管的集合体,是晶体管构成了其功能的基础。

【晶体管的基本功能示意图】
下面通过发射极接地时的开关工作来介绍起到开关作用的晶体管。
当晶体管的基极引脚被施加电压(约0.7V以上)并流过微小电流时,晶体管会导通,电流会在集电极和发射极之间流动。
反之,当施加到基极引脚的电压较低(约0.7V以下)时,集电极和发射极处于关断状态,电流不流动。
晶体管的开关工作就像使用基极作为开关来打开和关闭从集电极流向发射极的电流。

【开关导通示意图】
下面通过比较自来水供水机制来介绍晶体管的功用。晶体管有三个引脚,分别是发射极、基极和集电极。基极相当于水龙头开关,发射极相当于水龙头出水口,集电极相当于水箱。用很小的力(向基极输入信号)控制水龙头开关,就会有大量的水从水箱(集电极)流向水龙头出水口(发射极)。通过这样的比喻来思考的话,可能更容易理解。
现在,我们使用图1和图2更详细地讲解一下晶体管的放大原理。流经集电极的电流是与输入电压e和偏置电压E1构成的基极-发射极间电压 (VBE)成正比的电流(IB)的hfe*1倍电流(IC)。随着该集电极电流IC流过电阻器RL,在电阻器RL两端出现IC×RL的电压。最终,输入电压e被转换(放大)为电压ICRL并在输出中体现出来。 ※1:hfe 晶体管的直流电流放大系数

晶体管由PN结组成,通过在基极流过电流,而在集电极-发射极间流过电流。
在这里,以NPN晶体管为例来说明其工作原理。 当在基极和发射极之间施加正向电压(VBE)时,发射极的电子(负电荷)流入基极,部分电子会与基极的空穴(正电荷)结合。这就是基极的微小电流(IB)。 基极(P型半导体)在结构上很薄,从发射极流入基极的大部分电子会扩散到集电极。
电子(负电荷)被集电极-发射极间电压(VCE)吸引并向集电极的电极方向移动。这就是集电极电流IC。 <电流方向与电子移动方向相反>

【晶体管工作示意图(NPN型)】
晶体管大致可以分为“NPN”和“PNP”两种类型。从右图中也可以看出,主要是根据集电极引脚侧在电路中是吸入还是输出电流来区分使用晶体管。
如果想根据输入信号进行开关,那么使用NPN型晶体管,发射极接地。如果想在电源侧进行控制,则通常使用PNP型晶体管。
NPN型晶体管的载流子是电子(负电荷),而PNP型晶体管的载流子是空穴(正电荷)。在PNP型中,通过施加电压使发射极为正电压,基极为负电压,使发射极空穴(正电荷)流入基极,其中一部分与基极电子(负电荷)结合,产生微小的基极电流,其余部分扩散到集电极并成为集电极电流。

【NPN型和PNP型晶体管】
1、晶体管于1948年诞生于贝尔实验室
1948年发明了晶体管,这对当时的电子工业界带来了巨大的冲击。 正是那时拉开了当今电子时代的帷幕。此后,包括计算机在内的电力电子技术得到了飞速发展。从对我们的生活带来如此巨大的贡献来看,贝尔实验室的三位物理学家约翰·巴丁(John Bardeen)、沃尔特·布拉顿(Walter Brattain)、威廉·肖克利(William Shockley)获得诺贝尔奖可谓是当之无愧。 之后的发明,还有什么能与晶体管相匹敌呢?无论如何,晶体管对当今时代产生了巨大的影响。
2、从锗到硅
晶体管最初是由一种叫做“锗”的物质(半导体)制成的。 然而,锗具有在80℃左右时会损坏的缺点,所以现在大多采用硅材质。顺便提一下,硅是一种可以承受约180℃高热的物质。

根据工作原理不同分类,分为双极晶体管和单极晶体管。

双极晶体管
双是指Bi(2个)、极是指Polar(极性)。双极晶体管,即流经构成晶体管的半导体的电流由空穴(正极性)和电子(负极性)产生。一般而言的晶体管是指这种由硅构成的晶体管。
FET
Field Effect Transistor的简称,是指场效应晶体管。有接合型FET和MOS型FET以及GaAs型。
接合型FET多用于音频设备等的模拟电路中,MOS型FET主要用于微控制器等数字IC。
GaAs型用于卫星广播信号接收等的微波增幅。
※MOS
Metal Oxide SemicONductor的简称,因其构造分别是金属 (Metal)、硅酸化膜 (Oxide)、半導体 (SemicONductor),故称MOS。MOS还分为P型、N型、C型,因为消费电流小,用于微控制器等集成度高的IC。

主要以最大额定值的集电极功率PC进行区分的方法。大体分为小信号晶体管和功率晶体管,一般功率晶体管的功率超过1W。
小信号晶体管
最大集电极电流 (IC(max)) 在500mA以下,最大集电极功率 (PC(max)) 不超过1W的晶体管。相对功率晶体管而得名,一般以树脂封装居多,这是其特点之一。
功率晶体管
一般功率晶体管的功率超过1W。相比小信号晶体管拥有更大的最大集电极电流、最大集电极功率,对于散热而言,它本身形状就很大 ,有的功率晶体管上还覆盖着金属散热片。
晶体管“一词由Transfer(传送信号)和Resistor(电阻器)组成。构成晶体管的硅是形成地球的岩石中大量含有的物质。因此,晶体管也俗称”石“,设计者常用”…之石“的叫法

为满足客户需求,ROHM在分立式晶体管以外,还制造集成多个晶体管的复合晶体管。包括内置电阻的数字晶体管、集多个晶体管于一体的晶体管阵列,还有构成简单电路的晶体管单元。
※数字晶体管
内置电阻的晶体管。它是在电路设计中将频繁使用的部分标准化的产物。

根据功率及安装形态,决定了晶体管的外形大小和形状。大体分为引脚型和表面安装型。
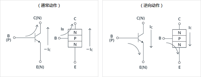
1、不用担心劣化和损坏,在使用上是没有问题的
2、NPN-Tr的B和C对称、和E极同样是N型。
也就是说,逆接C、E也同样有晶体管的功效。即电流由E→C流动。
3、逆向晶体管有如下特点。
↑通用TR的情况,除此之外,还有5V以下 (突破此耐压范围,会发生hFE低下等特性的劣化,请注意。)
定义:是指由于输入晶体管的电压、电流产生的功耗在元件发热时,结温Tj为绝对最大额定值限定的温度(Tj=150°C)时的功率。

这里,PC、Ta、△Tx、Px可以由各自测定时的设定值或测定结果直接得出,但是只有Tj不能直接得出。因此,如下列出使用VBE的测试方法。
VBE测定法 硅晶体管的情况下 基极-发射极间电压:VBE根据温度变化。

图1. 热电阻测量电路
由此,通过测定VBE,可以推测结温。
通过图1的测定电路,对晶体管输入封装功率:PC(max)。
(假设1W晶体管的情况下,输入条件为VCB=10VIE=100mA)
如图2:
从这个结果得出△VBE=VBE2-VBE1。
这里,硅晶体管根据温度具有一定的温度系数。约为ー2.2mV/ºC。 (达林顿晶体管为ー4.4mV/ºC)
因此,根据由输入功率得出△VBE,可以由以下算式得出上升的结温。

图2. 进度表
fT:增益带宽积指晶体管能够动作的极限频率。
所谓极限,即基极电流对集电极电流的比为1(即hFE=1)的情况。

提高基极输入频率,hFE变低。
这时,hFE为1时的频率叫做fT(增益带宽积)。
fT指在该频率下能够工作的极限值。
但是,实际使用时能够动作的只有fT值的1/5 to 1/10左右。
测定条件如下
f: 根据测定装置而定。为测定的标准频率。
VCE:任意设定。我公司为一般值。
IC:任意设定。我公司为一般值。

①使TR达到饱和的IC/IB的比率是IC/IB=20/1
②输入电阻:R1是±30% E-B间的电阻:R2/R1=±20%
③VBE是0.55~0.75V
数字晶体管具有下面的关系式。
■数字晶体管直流电流增益率的关系式
GI:数字晶体管的直流电流增益率
GI=IO/Iin
hFE=IC/IB
IO=IC , Iin=IB +IR2, IB=IC/hFE , IR2=VBE/R2
电压关系式 VIN=VR1+VBE
■集电极电流关系式
∴ IC= hFE×1)・・・①
※这里所说的hFE是VCE=5V、IC=1mA时的值,不是饱和状态。
作为开关使用时,需要饱和状态的电流比率IC/IB=20/1
∴ IC= 20×2)・・・②
将式子①的hFE替换成20/1。
而且,如果在考虑偏差的基础上计算 将R1的最大值+30% R2的最小值-20% VBE的最大值0.75V这一组最差数值代入式子②计算。 根据下面的式子选择数字晶体管的电阻R1、R2,使数字晶体管的IC比使用设备上的最大输出电流Iomax大。
∴ Iomax≦203)

IC: 能够通过晶体管的电流的最大理论值
IO: 能够作为数字晶体管使用的电流的最大值
解说
DTA/C系列为例,构成数字晶体管的个别晶体管能流过100mA电流。
用IC=100mA定义。个别晶体管连接电阻R1、R2,则成为数字晶体管。
此数字晶体管流过IC=100mA时,基极电流IB需要相对应的电流値,其结果需要高的输入电压VIN。
根据绝对最大额定值限制,由输入电阻R1的功率许容值(封装功率)决定输入电压VIN(max)。电流IC=100mA流过时,可能超过这个额定值,在不超过VIN(max)条件下,数字晶体管中流过的电流值定义为IO。
如您所知,绝对最大额定值被定义为”不能同时提供2项以上“,仅用IC标记没有问题,但结合客户实际使用状态,合并标记为IO。
因此电路设计探讨中此IO即为绝对最大额定值。
hFE: 作为晶体管的直流电流增幅率
GI: 作为数字晶体管的直流电流增幅率
解说
GI和hFE都表示发射极接地直流电流放大率。 数字晶体管是指普通晶体管上连接2个电阻器的晶体管。 直流电流放大率为 输出电流/输入电流 ,因此不因输入电阻R1,放大率下降。仅有输入电阻R1的类型 放大率表示为hFE,与个别晶体管hFE相等。 如果在E-B间附加电阻R2,输入电流则分为流过个别晶体管的电流和流过E-B间电阻R2的电流。 因此放大率比单体时下降。此值称为GI,用以区分。
VI(on)、VI(off)容易被混淆
VI(on): 数字晶体管为保持ON状态的最低电压、定义VI(on)为min
错误观点
1:由0开始依次加入输入电压。
2:达到1.8V时,数字晶体管启动。
3:因在规格书规定的3V(min) 以下,故判断为不合格。
正确观点
A:首先为了启动数字晶体管,加入足够的输入电压Vin(如10V)
B:渐渐降低电压,到规格书规定的3V时停止。 因仍保持ON状态,故该产品为合格。
C:如果继续降低基极电压,不能完全保持ON状态,而向OFF状态变化。 因这一变化点在3V以下,故产品为合格。
根据环境温度、VBE、hFE、R1、R2变化。
hFE的温度变化率约为0.5%/ºC
VBE的温度系数约为-2mV/ºC(-1.8 to -2.4mV/ºC的范围有偏差)
R1的温度变化率,如下图表。

数字晶体管的输出电压-输出电流特性,按以下测定方法测定。
IO(低电流区域)条件下,个别晶体管基极没有电流流过。
因此低电流区域输出电压 (VO)[VCE(sat)]上升。
测定方法 DTC114EKA 的场合 用IO/Ii=20/1测定。
Ii=IB+IR2、(IR2=VBE/10k=0.65V/10k=65μA)
IB=Ii-IR2=Ii-65μA 即Ii在65µA以下时,IB没有电流流过,VO [VCE(sat)]上升。 因此,在低电流区域不能测定VO。

如图1,输入电压,启动NPN晶体管。
在这个电路中,基极(B)-发射极(E)之间输入顺向电压,注入基极电流。 就是说,在基极(B)领域注入+空穴。 如果在基极(B)领域注入+电子,发射极(E)的载流子-会被吸引至基极(B),但是正极(B)领域非常薄,因此通过加入集电极电压,载流子可以穿越基极(B)流向集电极(C)。 借此,电流可以由集电极(C)→发射极(E)流动。

晶体管的动作有增幅作用和开关作用。 在增幅作用中,通过注入基极电流IB,能够通过增幅hFE倍的集电极IC。 在活性领域中,通过输入信号持续控制集电极电流,可以得到输出电流。 在开关作用中,在ON时电气性饱和状态(降低集电极-发射极间的饱和电压)下使用。
VI(on)Min.:输入电压 (INPUT ON VOLTAGE)
向OUT引脚、GND引脚间施加正向电压 (VO),并得到规定的输出电流时需要的最小输入电压,即数字晶体管导通区域的最小输入电压值。
因此,如果要从ON状态变为OFF状态,需要进一步降低该最小输入电压值,所以正常产品的电压值低于这个数值。
VI(off)Max.:输入电压 (INPUT OFF VOLTAGE)
在向OUT引脚、GND引脚间施加电源电压 (VCC)、输出电流 (IO) 的状态下,IN引脚、GND引脚间得到的最大输入电压,即可以保持数字晶体管OFF状态区域的最大输入电压值。 因此,如果要从OFF状态变为ON状态,需要进一步升高该最大输入电压值,所以正常产品的电压值高于这个数值。
VO(on):输出电压 (OUTPUT VOLTAGE)
在任意输入条件下不超过绝对最大额定值的输出引脚电压。GND接地放大电路流过充足的输入电流时,输出电压降低,IN、OUT接合也变为正偏压状态。在规定的VO、IO下将II设定为整数(通常10~20)分之一进行测定。
II(Max.):输入电流 (INPUT CURRENT)
向IN引脚、GND引脚间施加正向电压 (VI) 时,IN引脚连续流过电流的最大输入容许值。
GI:GND接地直流电流增益 (DC CURRENT GAIN)
在规定的VO、IO条件下的IO/II的比值。
R1:输入电阻 (INPUT RESISTANCE)
在IN引脚、晶体管基极之间内置的电阻。R1的公差设定为±30%。另外,还会随着温度的变化而变化。
R2/R1:电阻比率(RESISTANCE RATIO)
晶体管的基极∙发射极之间的电阻与内置输入电阻的比率。
功率MOSFET在构造上,如图1存在寄生容量。
功率MOSFET在构造上,如图1存在寄生容量 MOSFET的G (栅极) 端子和其他的电极间由氧化膜绝缘,DS (漏极、源极) 间形成PN接合,成为内置二极管构造。Cgs, Cgd容量根据氧化膜的静电容量、Cds根据内置二极管的接合容量决定。

一般而言MOSFET规格书上记载的是表1中的Ciss/Coss/Crss三类。

容量特性如图2所示,对DS (漏极、源极) 间电压VDS存在依赖性。VDS大则容量值小。

实测例见图(1) ~ (3)所示
关于容量特性的温度依存性几乎没有差异。

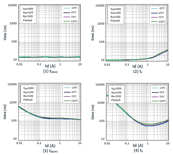
栅极电压ON/OFF之后,MOSFET才ON/OFF。这个延迟时间为开关时间。开关时间如表1所示种类,一般而言,规格书上记载td(on)/ tr/ td(off)/ tf。
ROHM根据图2电路的测定值决定规格书的typ.值。


实测例如图3(1)~(4)所示。 温度上升的同时开关时间略微增加,但是100°C上升时增加10%成左右,几乎没有开关特性的温度依存性。
图3: 开关温度特性
ID-VGS特性和界限值温度特性的实测例如图1、2所示。 如图1,为了通过绝大部分电流,需要比较大的栅极电压。 表1所记载的机型,其规格书上的界限值为2.5V以下,但是为4V驱动产品。 使用时请输入使其充分开启的栅极电压。
如图2,界限值随温度而下降。 通过观察界限值电压变化,能够计算元件的通道温度。
MOSFET工作(启动)时,漏极和源极间的阻值称为导通电阻 (RDS(ON))。数值越小,工作时的损耗(功率损耗)越小。
晶体管的消耗功率用集电极饱和电压 (VCE(sat)) 乘以集电极电流(IC)表示。
(集电极损耗PC))=(集电极饱和电压VCE(sat) )x(集电极电流IC)
MOSFET的消耗功率是用漏极源极间导通电阻 (RDS(ON)) 计算。MOSFET消耗的功率PD用MOSFET自身具有的导通电阻乘以漏极电流(ID)的平方表示。
(功率PD)=(导通电阻RDS(ON) ) x (漏极电流ID)2
此功率将变成热量散发出去。MOSFET的导通电阻一般在Ω极以下,与一般的晶体管相比,消耗功率小。即发热小,散热对策简单。
如左上图所示,栅极源极间电压越高,导通电阻越小。另外,栅极源极间电压相同的条件下,导通电阻因电流不同而不同。计算功率损耗时,需要考虑栅极源极间电压和漏极电流,选择适合的导通电阻。另外,如右上图所示,导通电阻因温度变化而变化,因此需要注意这一特性。
一般MOSFET的芯片尺寸(表面面积)越大,导通电阻越小。 下图显示了不同尺寸的小型封装条件下,罗姆最小导通电阻值的比较。 封装尺寸越大可搭载的芯片尺寸就越大,因此导通电阻越小。 罗姆针对各种不同的封装尺寸,备有低导通电阻的产品。 选择更大尺寸的封装,导通电阻会更小。

各封装的搜索页请点这里
“总栅极电荷(Qg)是指为导通(驱动)MOSFET而注入到栅极电极的电荷量。 有时也称为栅极总电荷。” 单位为库仑(C),总栅极电荷值较大,则导通MOSFET所需的电容充电时间变长,开关损耗增加。数值越小,开关损耗(切换损耗)越小,从而可实现高速开关。
如上所述,总栅极电荷的值越小,开关损耗越小。而且,导通电阻值越小,工作时的功耗越小。 然而,总栅极电荷和导通电阻的特性处于权衡关系。 通常,MOSFET的芯片尺寸(表面积)越小,总电荷量越小,但导通电阻值会变大。 换句话说,开关损耗与工作时的功耗之间存在权衡关系。

该图为动态输入(Qg –VGS)的特性例。 在图中,常温下的漏极侧电源电压(VDD )和漏极电流(ID )是固定特性, VDD = 300 V , ID = 30A 时所需的最小电荷量约为60nC。此时的栅源电压 (VGS ) 为6.5V。 实际上是在MOSFET完全导通的情况下,调整有权衡关系的导通电阻值,从而设定栅源电压(VGS ) 。 此时,可从图表读取设定电压和总栅极电荷(Qg)(例如, VGS = 10 V 时为85nC , VGS = 15V 时为 130nC )。
使晶体管工作会产生电气负载和热负载。 对晶体管来讲,负载太大寿命会缩短,最坏的情况下会导致晶体管被破坏。 为防止这种情况,需要检查实际使用状态,并确认在使用上是否有问题。 这里说明一下具体的判定方法。为安全使用晶体管,请务必作为参考。
1、晶体管的选定
从Web、Shortform产品目录上选定满足规格要求的晶体管。
晶体管产品页
2、规格∙样品的获取
部分样品可从网上申请。
3、向实际电路(评估电路)上贴装晶体管
可否使用的判定按照以下流程进行。

确认电流、电压
用示波器确认晶体管上的电压、电流。需要全部满足规格书上记载的额定值,特别应该确认下列项目。
特别应该确认的项目


由于随后要计算开关时的功率损耗,所以要确认OFF→ON时和ON→OFF时的扩大波形。
确认绝对最大额定值
确认”1. 确认电流、电压“中确认的电流、电压是否超过了规格书中记载的绝对最大额定值。 例1. 中未确认的项目,全部都需要在绝对最大额定值以下。即使浪涌电流和浪涌电压只在一瞬间超过了绝对最大额定值也不可使用。如果超过绝对最大额定值有可能造成破坏和劣化。


确认安全工作区域 (SOA *1) 1
安全工作区域(SOA)表示晶体管可安全工作的区域。 不过,SOA只是关于1脉冲的数据,在脉冲反复混入时,需要所有脉冲都进入SOA范围内,并且通过 “4. 确认安全工作区域(SOA)2” 计算的平均施加功率在额定功率以下。
*1 SOA・・・安全工作区域 (Safety Operating Area) 的简称。有时也称ASO (Area of Safe Operating)。
SOA确认方法
确认”1. 确认电流、电压“中确认的波形是否在安全工作区域 (SOA) 的范围内。即使浪涌电流和浪涌电压只在一瞬间超过了绝对最大额定值也不可使用。 另外,请注意,即使在”2. 确认绝对最大额定值“中确认的绝对最大额定值的范围内,有时也会超出SOA的范围。(参照下例)

*1 按照使用环境温度或因晶体管发热温度上升时的元件温度来考虑。
确认安全工作区域 (SOA) 2
由于通常的安全工作区域 (SOA) 是在常温 (25ºC) 下的数据,所以周围温度在25ºC以上时,或者因晶体管自身发热元件温度上升时,需要降低SOA的温度。
SOA的温度降低方法(降低的温度基本是元件的温度。)
}} 关于元件温度的详细计算方法,请参照"元件温度的计算方法"
1. SOA(安全工作区域)
周围温度在25ºC以上时,或者因晶体管自身发热元件温度上升时,需要降低温度。前者降低周围温度,后者降低元件温度。具体方法就是将SOA线平行移向低电流方向。如图1所示,下降率根据区域不同而不同。
1-1. 热限制区域
在该区域,SOA线具有45º 的倾斜度(功率固定线)。在该区域,下降率是0.8%/ºC。
1-2. 2次下降区域晶体管存在热失控引起的2次下降区域。在2次下降区域,SOA线具有45º 以上的倾斜度。在该区域,下降率是0.5%/ºC。
例 Ta=100°C
2-1. 热限制区域的降额
例如,周围温度100ºC时,降额如下。 降额=⊿t×(降额率) =(100°C-25°C) × 0.8% / °C =60%
因此,该区域的SOA线向低电流方向平行移动60%。
2-2. 2次下降区域的降额同理,2次下降区域的降额如下。
降额=⊿t×(降额率) =(100°C-25°C) × 0.5% / °C =37.5%
因此,该区域的SOA线向低电流方向平行移动37.5%。
功率・发热确认
单脉冲:如同上电和掉电时的浪涌电流一样,只发生一次脉冲的情形(无反复脉冲时)称为单脉冲,此时,
连续脉冲:将脉冲反复发生的情形称为连续脉冲,此时,
额定功率以下的确认
周围温度的额定功率以下=元件温度在绝对最大额定值150ºC以下。使元件温度升到150ºC的功率定为额定功率。 详细内容请参照"元件温度的计算方法"。
功率计算方法
基本上,平均功率是以时间对电流和电压的积进行积分的值除以时间所得的值。


这种情况下,将1周期分为4个区间计算。

实际的积分计算采用 积分公式。
下面,对”1.确认电流、电压“确认的波形的例子进行实际计算。
(1) OFF→ON时

根据积分公式,①的区间
∫ IVdt=(1/6)×100ns×(2・0A・5V+0A・2V+1.3A・5V+2・1.3A・2V) =1.95×10-7(J)
②的区间
∫ IVdt=(1/6)×230ns×(2・1.3A・2V+1.3A・0.4V+1.3A・2V+2・1.3A・0.4V) =3.59 × 10-7(J)
OFF→ON时,合计: 5.54×10-7(J)
(2) ON期间中

∫IVdt=100µs×0.4V×1.3A =5.2×10-5(J)
(3) ON→OFF时

③的区间
∫IVdt=(1/6)×1480ns×(2・1.3A・0V+1.3A・7V+1.15A・0V+2・1.15A・7V) =6.22×10-6(J)
④的区间
∫IVdt=(1/6)×120ns×(2・1.15A・7V+1.15A・28V+0.5A・7V+2・0.5A・28V) =1.6×10-6(J)
⑤的区间
∫IVdt=(1/6)×80ns×(2・0.5A・28V+0.5A・28V+0A・28V+2・0A・28V) =0.56×10-6(J)
OFF→ON时,合计: 8.38×10-6(J)
(4) OFF时,认为电流几乎为零(实际上有数nA~数10nA的漏电流),并认为OFF期间的功耗为零。
合计以上各区间计算的积分值,除以1周期的长度400µs,为平均功耗,即
而且,这里对双极晶体管2SD2673例子的集电极电流IC和集电极-发射极间电压VCE进行积分计算。如果对数字晶体管的输出电流IO和输出电压VO,MOSFET的漏极电流Id和漏极-源极间电压VDS进行同样的积分计算,即可算出平均功耗。 通过求得平均功耗,确认规格书的集电极损耗(MOSFET是漏极损耗)。
例:2SD2673的规格书

在这种情况下,平均施加功率是0.153W,集电极容许损耗是0.5W(推荐接地层:玻璃环氧树脂电路板贴装时),所以在周围温度25ºC时可以使用。(准确地说,集电极容许损耗根据贴装电路板和land面积等决定的散热条件而不同,但以推荐接地层贴装时的值为基准)
周围温度25ºC以上时,确认功率降低曲线并进行温度降低。

元件温度的详细计算方法请参照"元件温度的计算方法"

计算基于电流I和电压V的a-b间的积分功率
结点温度(或通道温度)可根据周围温度和功耗计算。根据热电阻的思考方法,
Tj=Ta+Rth(j-a)×P
Ta:周围温度(测量的房间室温)
Rth(j-a): 结 - 大气之间的热阻*
P: 功耗*Rth(j-a):结点-环境间的热电阻根据贴装的电路板的不同而不同。 向敝公司标准的电路板上贴装时的值表示为 “代表性封装的电阻值” 。 Rth(j-a)的值根据各个晶体管的不同而不同,但如果封装相同,可以认为该值几乎是很接近的值。功耗不固定,时间变化时按照平均功耗近似计算。(平均功耗的求法请参照 “晶体管可否使用的判定方法” )
下图显示了Rth(j-a)是250ºC/W、周围温度是25ºC时的功耗和结点温度的关系。
结点温度和功耗成比例上升。这时的比例常数是Rth(j-a)。Rth(j-a)是250ºC/W, 所以功耗每上升0.1W结点温度上升25ºC。 功耗是0.5W时结点温度是150ºC,所以这个例子中功耗不能超过0.5W。
另外,Rth(j-a)同样是250ºC/W,要考虑周围温度的变化。
即,即使施加相同的功率,周围温度上升时结点温度也相应上升,所以能够施加的功率变小。 不仅热电阻,周围温度也会影响最大功耗。周围温度150°C时能够施加的功率为零,所以
100% ÷ (150°C-25°C)=0.8%/°C
可以得知上述比例下的最大功耗变小。
下面的功率降低曲线表示出了该关系。
功率降低曲线的降低率是用百分比表示的,所以可适用于所有封装。 例如,MPT3封装25ºC时的最大施加功率是0.5W,0.8%/ºC的比例下可施加的功率变小, 50ºC时变为原来的80%(降低20%)即0.4W,100ºC时变为原来的40%(降低60%)即0.2W。
在 “1. 根据周边温度(基本)” 中,考虑了连续施加功率时的例子。 接着,考虑由于瞬间施加功率引起的温度上升。 由于瞬间施加功率引起的温度上升用瞬态热阻计算。
该图表表示瞬态性的热电阻(瞬态热阻)。横轴是脉冲幅度,纵轴是热阻Rth(j-a)。根据该图可知,随着施加时间变长结点温度上升,约200秒后热饱和并达到一定温度。
例如,施加时间为30ms时Rth(j-a)是20ºC/W,所以如果在周围温度25ºC下30ms施加3W功率,可知结点温度是:
Tj=Ta+Rth(j-a)×P =25°C+(20°C/W)×3W =85°C
一次施加瞬间功率时,可通过该算式求得结点温度。
可根据管壳温度求出结点温度。计算方法1或者2中介绍的,用结点-管壳间的热电阻代替结点-环境间热电阻:Rth(j-c)的计算方法。如下。
Tj=Tc+Rth(j-c)×P
Tc: 外壳温度*
Rth(j-c): 结 - 外壳之间的热阻
P: 効耗*罗姆用放射温度计测量标记面最高温点的温度。请注意,测量方法不同测量温度会有很大变化。功耗不固定,时间变化时按照平均功耗近似计算。
不过,特别是Rth(j-c)的值会根据贴装的电路板和焊接等的散热条件有很大变化,所以请注意,在敝公司标准电路板上的测量值很多时候不适合客户的电路板。 作为例子,显示了随着电路板集电极land面积的变大Rth(j-c)变小的示例。(除了集电极land的面积、厚度、材质,电路板的材质、大小、布线尺寸等也会引起变化。)
例如,施加时间为30ms时,因为Rth(j-a)是20ºC/W,所以如果在周围温度25ºC下施加30ms 3W的功率,结点温度是
这样,Rth(j-c)的值容易根据电路板条件发生变化,而且正确的管壳温度测量又很难,所以作为推定结点温度的方法,不怎么推荐。
结点-管壳间热电阻Rth(j-c)本来是将TO220封装等的自立型器件固定在散热板上使用的情况下使用的值。在这种情况下,管壳-散热板之间是主要的散热路径,所以通过测量该路径中的管壳温度可正确地求得结点温度。尤其,在假设使用具有理想散热性的散热板(无限大散热板)的情况下,有时会在认为散热能力无限大,且管壳温度=大气温度,(显示Tc=25ºC等)管壳温度=25ºC的条件下计算。(无限大散热板的热电阻:因为Rth(c-a)=0,所以Rth(j-a)=Rth(j-c)。)
可是,对于面贴装型器件,从器件下面的电路板散热是主要的散热路径,所以测量这部分的管壳温度比较困难。 由于和总体散热量相比标记面的散热比例很小,所以即使测量器件标记面的温度,也不适于作为推定结点温度的值。
关于面贴装产品,由于大多都要求知道Rth(j-c)的值,所以有时会贴装在敝公司的标准电路板上测量标记面温度来提供Rth(j-c)的值。此时的Rth(j-c)是贴装在敝公司标准电路板上这一特别条件下的值。在贴装于和敝公司标准电路板不同的电路板时,由于从标记面的散热比例会发生变化,所以Rth(j-c)的值变化,无法推定结点温度。




负载开关Q1导通瞬间会暂时流过比稳态电流大得多的电流。输出侧的负载容量CL的电荷接近零时,向输出VO施加电压的瞬间会流过大充电电流。这种流过大电流的现象称作浪涌电流(Flash Current)。
浪涌电流的峰值大体可以通过输入电压VI、MOSFET Q1的RDS(on)和负载侧负载容量CL的ESR确定,输入电压VIN变大时,电流也相应变大。 浪涌电流显著变大时,有可能会引起误动作和系统问题。 而且,在超过最大额定电流时,有导致破坏的危险。通过与MOSFET Q1的栅极、源极间电阻R1并联追加电容器C2, 并缓慢降低Q1的栅极电压,可以缓慢地使RDS(on)变小,从而可以抑制浪涌电流。

Nch MOSFET负载开关等效电路图
Nch MOSFET 负载开关:RSQ020N03
VIN=5V, IO=1A, Q1_1G=1V→12V
即使在负载开关Q1从ON到OFF时,由于存在输出侧负载容量CL,所以输出VO引脚的电压会残留一定时间。 输入VI侧比输出VO侧电压低时,由于MOSFET Q1的漏极、源极间存在寄生二极管,所以有时寄生二极管导通会发生从输出VO侧到输入VIN侧的逆电流。
要注意,不要超过MOSFET Q1的额定电流值。 关于输入旁路电容器CIN的容量值,请在充分探讨负载侧条件、上升时间后再决定。

使用时即使是瞬间超过绝对最大额定值也不行,那样有可能出现击穿而损坏晶体管,或者造成hFE下降等性能退化。单发脉冲情况下可使用的范围要确认安全工作区(SOA)。连续脉冲情况下,需要进行功率计算和元件温度计算。具体的判断步骤请参考「判断能否使用的方法」、「元件温度计算方法」。 (另外,请同时参考与“降低额定值”相关的内容。)
基极电流的最大额定值是集电极电流最大额定值的1/3(达林顿连接晶体管是1/10)。
以2SD2656为例。 因为集电极电流的最大额定值在DC情况下是1A,在脉冲情况下是2A,所以基极电流的最大额定值就是DC情况下为333mA,脉冲情况下为666mA。 对于数字晶体管,如果遵照规格说明书上记载的Vin的额定值,那就以输入电流保持在额定值内为前提来设定Vin的额定值。
对于NPN晶体管,发射极接地,给集电极加上正电压时的耐压是规格说明书上记载的VCEO。 (对于PNP晶体管,集电极接地,给发射极加上正电压时的耐压是VCEO。) 与此相反,(NPN晶体管集电极接地,给发射极加上正电压时)的耐压与发射极-基极间的耐压大致相等。发射极-基极间的耐压通常为5-7V左右,所以建议使用时要使集电极-发射极间的反向电压保持在5V以下(如果给集电极-发射极间加上接近反向耐压值的电压,就有可能发生hFE下降等性能退化的情况)。集电极-发射极间的反向电压如果在5V以下,就只有漏电流大小的电流通过。




数字晶体管也如上所述,可对集电极-发射极间(OUT-GND间)的反方向施加最大5V的电压,GND-IN中有电阻的情况,电流会通过电阻流过。
数字晶体管是双极晶体管内增添了电阻器的一种晶体管。

关于电阻R1
如果将IC等的电压输出直接加到双极晶体管的输入(基极)端,利用电压控制使晶体管工作,它的工作状态是不稳定的。 IC与基极引脚间接入电阻(输入电阻)用电流控制使晶体管工作,就可以使它的工作状态稳定。 (这是因为输出电流对输入电压呈指数函数变化,但对输入电流呈线性变化。) 数字晶体管中内置的R1就是这种输入电阻。


比较一下输入是电压和输入是电流的晶体管工作状态

看一看输入- 输出特性便可知:用右边的电流控制,输出对输入呈线性变化;用左边的电压控制,输出对输入就呈指数函数变化。就是说,用电压控制时输入的极小变化就会引起输出电流大的变化,工作状态不稳定。
例如右边的特性曲线,输入电流从40μA改变为2倍的80μA时输出电流从9mA变成2倍的18mA;而左边的特性曲线,输入电压从0.7V仅仅升高了14%到0.8V,输出电流就从10mA变成7倍那么高的70mA。 因此,只要有轻微的噪声进入输入电压就会引起输出电流大幅度变化,也就不适合实际使用。
就这样,由于双极晶体管采用电流控制是稳定的,所以就要将IC的输出电压转换成基极电流,为此也就需要有输入电阻R1。因为数字晶体管内置有这个输入电阻R1,所以有利于削减元器件数和安装空间。

关于电阻R2电阻R2的作用是吸收漏电流,防止误动作。电阻R2的作用是降低从输入端进来的漏电流和噪声等,防止晶体管误动作。

如果输入电流很小,它就完全进入地线。但是,如果输入电流大,部分输入电流开始进入晶体管的基极,晶体管导通。

如果输入电流小,它就完全进入地线,晶体管不导通。(没有漏电流等引起的误动作) 如果输入电流大,部分输入电流就进入基极,晶体管开始导通。(处于通常的导通状态)
以DTC114EKA为例做如下说明。
数字晶体管工作时,为使内置晶体管的发射极-基极间(EB间)的正方向有基极电流通过,EB 间需要加正向电压(25℃下约为0.7V)。由于数字晶体管内置晶体管的EB 间与电阻R2并联,所以R2也同样外加了0.7V电压。从而可知,R2上有IR2= 0.7V/10KΩ=70μA的电流通过。

当输入电压Vin为5V时,IN 引脚的电位就是 5V,因为内置晶体管的EB 间电位差是0.7V,所以电阻R1两端的电压是 5V-0.7V = 4.3V 。 从而可知,R1上有IR1= 4.3V/10KΩ = 430uA的电流通过。

从而可知,内置晶体管的基极有430μA-70μA= 360μA的电流通过。

这样计算就可以计算出流过内置晶体管的基极电流。要使数字晶体管充分导通( = 降低输出电压Vo(on)) 就要调整输出电流 Io 和输入电压Vin,以使输出电流 Io 达到进入内置晶体管的基极电流的10~20倍以下。如果输入电压Vin 不够高,输出电流不够大,就要使用输入电阻R1小那种型号的数字晶体管。

温度为25℃时,发射极-基极间正向电压约为0.7V。温度变化时,温度每上升1℃该正向电压便减小约2.2mV。例如,50℃时约为0.7V- (50℃-25℃)×2.2mV= 0.645V。反之,温度降低到-40℃时约为0.7+ (25℃- (-40℃))×2.2mV= 0.843V。 请注意,就是这样,正向电压VF也受温度影响而变化。而且,25℃时的正向电压无论如何也就大致为0.7V,有±0.1上下的偏差。
对于数字晶体管,内置电阻R1、R2有±30%上下的偏差,所以要考虑并计算电阻值为最不利的情况。 由于正向电压和电阻值都有偏差,所以可以认为上述计算方法得到的结果无论如何也就是大致的基准值。
每种产品都有SOA(Safe Operating Area),如果在此区域内那肯定能用。 例如:VDS=20V、Idpeak=2A、Pw=100μs 时 ⇒ Pw=100μs 的区域内,可以使用。

容许损耗(Pc)需要降低(降低额定值),以便与环境温度(Ta)相适应。请根据下面的特性曲线使晶体管的消耗功率降低到与环境温度相适应的程度。
也有必要降低安全工作区(SOA)的额定值,具体情况请参考「为了放心使用ROHM的晶体管-TR能否使用的判断方法」。 而且,电特性( 以双极晶体管/数字晶体管的输入电压(VBE, VI(on), VI(off) )和 hFE, GI为例)受温度影响会有变化。所以,设计时要参考电特性曲线,以保证温度变化时也能正常工作。MOSFET也要这样考虑。

由于晶体管、二极管产品属于固体,因此MSDS的制作及提供在本产品中不适用。
小信号产品可以认为相同,没太大差异。 但功率产品根据额定值不同,相同封装下热阻值却不同。
1)Vin-VBE)/R1 )- (VBE/R2
2)Vin-VBE)/R1 )- (VBE/R2
3)Vin-0.75)/(1.3×R1)-0.75/(1.04×R2
扫一扫咨询微信客服