IPD是 Intelligent Power Device 的缩写,是指内置保护电路,可吸收感性负载等的能量的高性能半导体电源开关。 根据地区的不同,也被称为IPS(Intelligent Power switch)、智能开关(Smart switch)、高边/低边开关(Hi-side/Lo-side switch)等。
说起半导体开关,一般最先想到的是MOSFET。 如果将MOSFET单独用作开关,按照电路的结构,当负载短路时,MOSFET本身也会发生故障。 IPD内置过电流和过热保护电路、吸收感性负载能量的电路,在短路等异常状态下也能保持开关的功能,不会受到破坏。

【MOSFET 与 IPD 的比较】
保险丝是控制电流防止其过大的部件。 产生过电流时,机械保险丝会熔断以阻断电流。因此需要更换才能恢复通电。 将IPD用作半导体保险丝,可以检测过电流等异常并切断电流。还具备将异常通知MCU等的功能,有助于分析原因。作为自动恢复型产品,也无需进行更换。

【机械保险丝 与 IPD 的比较】
继电器是根据外部信号对电路进行ON/OFF切换的部件。 机械继电器有机械式接点,在寿命和可靠性上存在隐忧。而且切换时会产生机械音。 作为半导体继电器的IPD没有机械式接点,与机械继电器相比,可实现高寿命、高可靠性、静音。而且封装更小、更轻,还支持回流焊贴装。除了进行ON/OFF切换的继电器功能之外,还能通过检测过电流进行保护。

【机械继电器 与 IPD 的比较】
相对于外部负载,将半导体开关配置在上侧电路(电源侧)的叫作高边驱动,配置在下侧电路(GND侧)的叫作低边驱动。

【高边驱动/低边驱动】
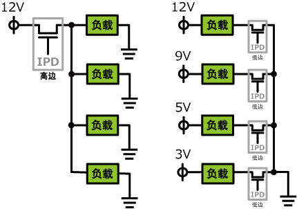
相对于外部负载,IPD有适用于上侧电路的高边开关和适用于下侧电路的低边开关,各种配置有各自适用的电路设计。 如下图左侧所示,对于电源电压固定且配置了各种负载的电路,例如在汽车等电池固定电压、车身GND接地的环境下,输出容易发生短路,检测异常状态适合使用容易进行接地检测的高边开关。 如下图右侧所示,负载配置在各种电源电压下的电路则适合使用低边开关。低边开关是MOSFET的源极GND接地,通过向栅极施加输入电压动作。其控制与单独使用MOSFET相同,容易从单独使用MOSFET进行替换。

【高边/低边 区分使用范例】
扫一扫咨询微信客服